BRM-4050 IR Receiver Module 38 kHz
Equivalent to TL1838 / VS1838
Microcontroller Friendly and Simple IR Receiver
The BRM-4050 is an IR Receiver Module for use with remote control systems. Each device contains a PIN diode and a preamplifier assembled on lead frame with the epoxy package containing an IR filter. The demodulated output signal can be directly connected to a microprocessor for decoding. Optimized to suppress almost all spurious pulses from energy-saving lamps like CFLs.
Use the BRM-4050 to make your projects remote controlled! The IR Receiver Module will receive infrared signals from most IR remote control units like what is used with your handheld TV remote control unit. Compatible with the Arduino & Raspberry Pi.
The Infrared Receiver Module receives signals sent at the standard 38kHz just like the signals your TV and home appliance remotes transmit. This is perfect for making your project remotely controlled. Receive a signal from almost any remote control with this Infrared (IR) Receiver Module.

Connection Details
- Pin 1: Signal (connect this pin to your Arduino, Raspberry Pi, or other microcontroller)
- Pin 2: GND (0V)
- Pin 3: Power (2.5 - 5.5 V)
Specifications
- Operating Voltage: 2.7V - 5.5V DC
- Supply Current (no signal): 1.5mA
- Peak Frequency: IR 940nm
- Transmission Distance: 6m-12m / 20-39 feet
- Directivity: ~45 degrees
- Specifically designed to suppress spurious noise & disturbance signals.
- A PIN diode and a preamplifier are assembled on lead frame, the epoxy package contains an IR filter
- See complete Data Sheet (in PDF format)
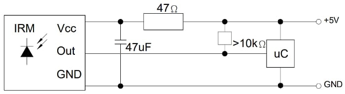
Application Circuit

Packaged Individually. Bulk packaged for larger orders.
| Light Packet | |
| Package Type | Light Packet |
BRM-4050 IR Receiver 38 kHz
- Product Code: brm-4050-tl1838-vs1838-vs1838b
- Availability: In Stock
- Light Packet Shipping Eligible
-
$0.50 USD
-
- 10 or more $0.40 USD
- 50 or more $0.35 USD
- 100 or more $0.25 USD
Related Products
5mm Infrared (IR) LED (850 or 940nm)
5mm High Output IR LED Infrared (IR) LEDs are a high-performance IR emitter whose peak wavelength..
$2.80 USD
TSOP4838 IR Receiver 38 kHz
TSOP4838 IR Receiver Module 38 kHz Microcontroller Friendly and Simple IR Receiver The TSOP4838 is..
$1.20 USD
Light Sensitive Phototransistor
Phototransistors Narrow and Wide Sensing Bandwidths The phototransistor is a semiconductor dev..
$0.45 USD
Light Sensitive Photodarlington
Photodarlington Very High Sensitivity The photodarlington is a specialized type of phototransi..
$0.90 USD
TEMT6000 Ambient Light Sensor
TEMT6000 Ambient Light Sensor Module Easy Hookup to Microcontrollers The sensor acts like an N..
$2.80 USD
TCRT5000 Reflective Sensor
TCRT5000 - TCRT5000L Infrared Optical Reflective Sensor with Long Connection Leads The TCRT500..
$0.30 USD








